电子式电流互感器
名称:电子式电流互感器
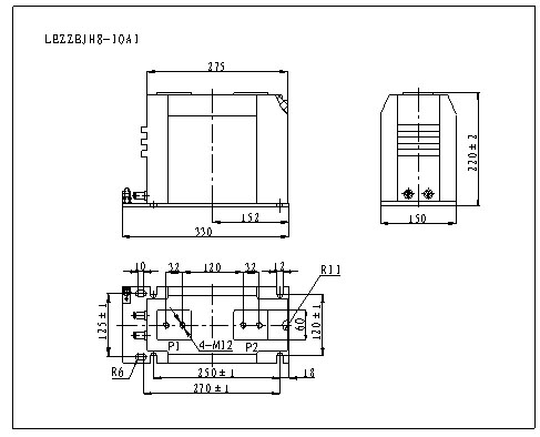
型号:LEZZBJH8-10A1
LEZZBJH8-10A1型电子式电流互感器
LEZZBJH8-10A1 electronic current transformer
一、概述(Description)
本型电子式电流互感器为环氧树脂浇注绝缘全封闭支柱式产品,适用于额定频率50Hz或60Hz、额定电压10kV的电力系统中,作电能计量、电流测量和继电保护用。本产品符合IEC60044-8:2002及GB/T20840·8-2007《电子式电流互感器》标准。
The electronic current transformer is casting resin insulated, fully enclosed and post type product. It is used for metering electric energy and current, relay protection in the electrical system up to rated frequency 50Hz or 60Hz and rated voltage 10kV. The transformer can be executed according to the standards IEC60044-8:2002 and GB/T20840·8-2007.

三、结构简介(Construction)
本型电子式电流互感器为环氧树脂浇注绝缘全封闭支柱式结构,耐污染及潮湿,适宜于任何位置、任意方向安装。测量范围宽,二次开路不会产生高电压,二次输出为小电压信号,功耗极小,不需将大信号转化为小信号,简化了误差源,提高了整个系统的稳定性和准确度。
This electronic current transformer is casting resin insulated, fully enclosed and post type product. It is fouling resistance and moisture protection, and can be erected at any position and direction. This transformer has wide measurement scope, the secondary open circuit does not produce high voltage and the secondary output is the signal of low voltage. The power consumption is very small. As there is no need to transfer the signal of high voltage to the signal of low voltage, the source of error is simplified and the stability and order of accuracy of the whole system are improved.
四、技术参数(Technical data)
1、额定绝缘水平(rated insulation level):12/42/75kV
2、局部放电水平符合GB/T20840·8-2007《电子式电流互感器》标准。(The conditions of the partial discharge test according to GB/T20840·8-2007《electronic current transformer》will be fulfilled without exception.)
3、此互感器二次绕组可生产单绕组、双绕组、三绕组。(The secondary windings of this transformer can produce single winding, double winding and three windings.)
4、用户如有其它技术要求,可与我厂联系。(If the customer has other requirement for technology, they can contact our factory.)
5、技术参数表(technical data form):
表1:额定一次电流及动热稳定电流(Rated primary current , rated dynamic and thermal current)
表2:常规技术参数(Common technical parameters)
五、外形及安装尺寸图(Outline drawing and dimensions of installation)



