电子式电流互感器
名称:电子式电流互感器
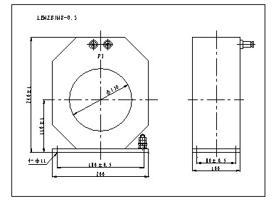
型号:LEMZBJH8-0.5
LEMZBJH8-0.5型电子式电流互感器
LEMZBJH8-0.5 electronic current transformer
一、概述(Description)
本型电子式电流互感器为浇注绝缘户内装置,适用于额定频率50Hz或60Hz、额定电压为10kV及以下的电力系统中穿单芯绝缘电缆时作继电保护用。本产品符合IEC60044-8:2002及GB/T20840·8-2007《电子式电流互感器》标准。
The electronic current transformer is casting resin insulated and used indoors. It is used for relay protection in the electrical system with single-core cable up to rated frequency 50Hz or 60Hz and rated voltage 10kV. The transformer can be executed according to the standards IEC60044-8:2002 and GB/T20840·8-2007

三、结构简介(Construction)
本型电子式电流互感器为母线式,环氧树脂浇注结构。互感器本身无一次绕组,单芯绝缘穿过互感器内孔即为互感器一次绕组。电缆测量范围宽,二次开路不会产生高电压,二次输出为小电压信号,功耗极小,不需将大信号转化为小信号,简化了误差源,提高了整个系统的稳定性和准确度。
This electronic current transformer is busbar type and casting resin insulated. It has no primary winding. The single-core cable through it is as the primary winding. This transformer has wide measurement scope, the secondary open circuit does not produce high voltage and the secondary output is the signal of low voltage. The power consumption is very small. As there is no need to transfer the signal of high voltage to the signal of low voltage, the source of error is simplified and the stability and order of accuracy of the whole system are improved.
四、技术参数(Technical data)
1、本型电子式电流互感器的一次主绝缘由电缆保证,产品仅考核二次绕组的绝缘性能。二次绕组对地能承受3kV工频耐压。(Because the cable protects the primary main insulation, so, the insulation characteristics of secondary winding are only examined. The secondary winding can be able to withstand the power frequency test voltage of 3kV to ground.)
2、用户如有其它技术要求,可与我厂联系。(If the customer has other requirement for technology, they can contact our factory.)
3、技术参数表(technical data form):
|
1 |
额定一次电流
Rated primary current |
20~630A |
|
2 |
额定二次电压(测量级)
Rated secondary voltage for measurement |
1.5V,4V |
|
3 |
额定二次电压(保护级)
Rated secondary voltage for protection |
150mV(空心线圈)
150mV(air-core coil) |
|
4 |
额定二次电压(保护级)
Rated secondary voltage for protection |
225mV(铁心式线圈)
225mV(core type coil) |
|
5 |
额定输出数字量(测量级)
Rated digital output for measurement |
0x2D41 |
|
6 |
额定输出数字量(保护级)Rated digital output for protection |
0x01CF/0x00E7 |
|
7 |
测量级准确级
Accuracy class for measurement |
0.2,0.2S级(class) |
|
8 |
保护级准确级
Accuracy class for protection |
5TPE(空心线圈)
5TPE(air-core coil) |
|
9 |
保护级准确级
Accuracy class for protection |
5P25(铁心式线圈)
5P25(core type coil) |
|
10 |
额定频率
Rated frequency |
50Hz(或60Hz) |
|
11 |
额定负荷
Rated burden |
2kΩ,20kΩ,2MΩ |
|
12 |
暂态特性的额定对称
短路电流倍数
Rated symmetrical short-circuit-current factor for transient performance |
25 |
|
13 |
额定一次时间常数
Rated primary time constant |
100mS |
|
14 |
额定唤醒时间
Rated wake-up time |
0 |
|
15 |
环境温度
Ambient temperature |
-40℃~+40℃ |
五、外形及安装尺寸图(Outline drawing and dimensions of installation)



