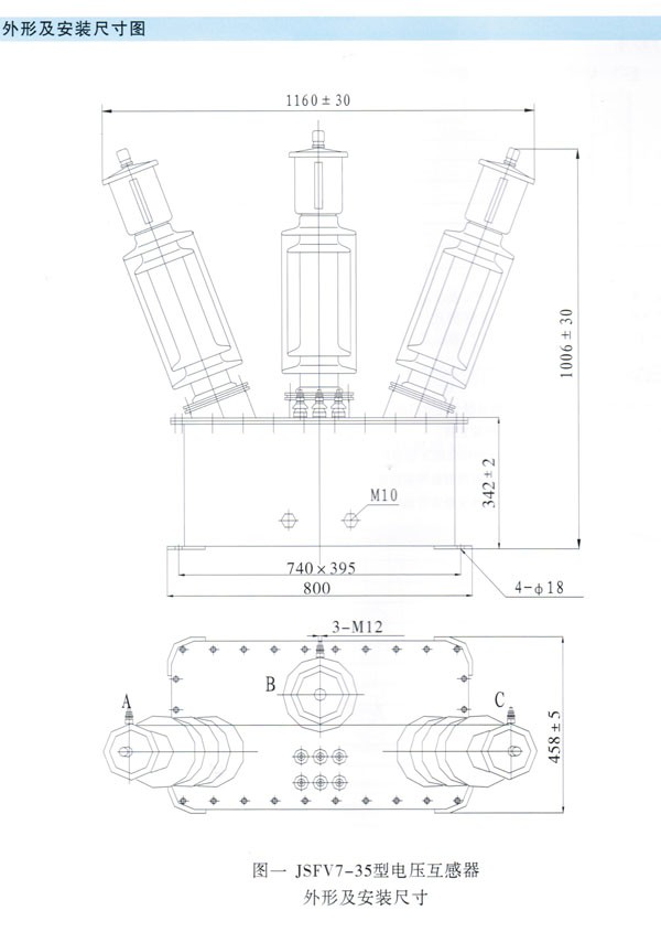
JSFV7-35型电压互感器
型号说明

基本型号后面附加“W1”表示适用于Ⅱ级污秽地区,“W2”表示适用于Ⅲ级污秽地区,“W3”表示适用于l、’级污秽地区,“GY”表示适用于高原地区。
产品简介
JSFV7-35型电玉互感器为三相油浸全绝缘产品,供设备最高电压为40.5 kV、额定频率为50Hz或60Hz的交流电力系统作电压、电能测量及继电保护装置用。
JSFV7-35型电压互感器由两台单相电压互感器接成“V”型,且置于一个箱体内,器身用夹件固定在箱盖上,箱盖上装有一次及二次套管等,油箱用钢板焊接而成;胶圈设计采用双道密封,确保产品运行可靠。
产品铁芯采用优质硅钢片.测量精度最高可达0.2级。




